EC草莓视频下载APP190mm
产品详情
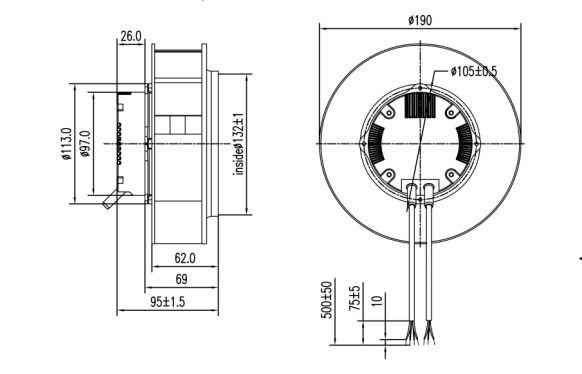
1.产品简介
①型号:ECB190A230
②电机类型:EC
③材料:铝
④认证:CCC CE
⑤绝缘等级:F
⑥工作温度:-20 —+50°
2.技术参数
| 额定电压 | 输入功率 | 频率 | 转速 | 风量 |
| 230 | 110 | 50/60 | 3740 | 880 |
3.风量风压曲线图


上一页:EC草莓视频下载APP160mm
下一页:EC草莓视频下载APP220mm

1.产品简介
①型号:ECB190A230
②电机类型:EC
③材料:铝
④认证:CCC CE
⑤绝缘等级:F
⑥工作温度:-20 —+50°
2.技术参数
| 额定电压 | 输入功率 | 频率 | 转速 | 风量 |
| 230 | 110 | 50/60 | 3740 | 880 |
3.风量风压曲线图


上一页:EC草莓视频下载APP160mm
下一页:EC草莓视频下载APP220mm
7×24小时服务热线 0574-28825866