1. 草莓视频APP免费下载,草莓视频下载APP,草莓视频黄在线,草莓视频最污在线观看

      空调草莓视频下载APP

      空调草莓视频下载APP

      产品概述

        空调草莓视频下载APP是空调系统中不可或缺的关键组件之一。它通过离心力将空气抽入风机,并通过旋转叶轮将空气加速,然后将其送入空调系统中。其独特的设计结构使其能够以高效、节能的方式提供稳定的空气流动。该产品具有多种应用场景,如商业建筑、工业设施、医疗机构、住宅等。除了被用于冷却、加热和通风系统中为室内提供舒适的环境外,还广泛用于空气净化机组、冷暖风机及工矿企业上。本类风机可根据需求提供不同的风量和静压,以适应各种类型的空调系统要求。

      工作原理

        以制冷型空调风机为例,从压缩机出来的高温高压制冷蒸汽通过高压软管进入冷凝器,由于室外温度低于进入冷凝器的制冷剂温度,借助于冷凝风扇的作用,在冷凝器中流动的制冷剂的大部分热量被室外空气带走,从而高温高压气体被冷凝成高温高压的液体。这种高温高压液体流过节流膨胀阀时,由于节流作用,体积突然变大而降压,变成低压低温的雾状液体进入蒸发器,并在定压下汽化,由于制冷剂在管内汽化时的温度低于蒸发器管外的车内循环风,故它能吸收管外空气中的热量,从而使流经蒸发器的空气温度降低,从而产生制冷降温效果,汽化了的制冷蒸汽被压缩机抽吸压缩,变成高温高压气体,完成一个制冷系统的循环。

      空调草莓视频下载APP工作原理图

      产品优势

        由于空调类型的多种多样,并不是所有的都会采用草莓视频下载APP,有些会使用轴流风机。不过与轴流风机相比,空调草莓视频下载APP主要有以下优势:

        1.静压能力更强:风机能够产生更大的正压或负压,适用于需要长距离送风或克服管道阻力的应用。

        2.适用范围更广:可根据需要提供不同的风量和静压,能用于各种空调系统,适应多种应用场景。

        3.空间利用率高:在相同风量下,其体积相对较小,更适合在机房、地下室等空间有限的环境中使用。

        4.噪音控制出色:其独特的设计结构能够减少噪音和振动的产生,从而提供更为安静的工作环境。

      外转子空调草莓视频下载APP

      技术参数

        以型号YWFB4E500的风机为例,其主要产品参数如下:

        类型:后倾式草莓视频下载APP

        品牌:草莓视频APP免费下载LIONBALL

        叶轮:增强塑料

        转子:镀锌钢板/不锈钢板

        防护等级:IP44/IP54

        绝缘等级:B/F

        认证:CCC CE

        安装方式:任意

        工作温度:-20~+50℃

        控制方式:0-10V/PWM/RS-485

        电子保护:过压/堵转

        额定电压:230V

        工作频率:50Hz

        输入功率:1560W

        电机转速:1340RPM

        最大风量:7680M³/H

        噪音:82dB

      后倾式空调草莓视频下载APP

      结构组成

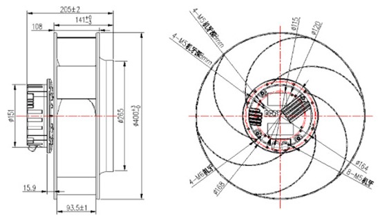
        空调草莓视频下载APP主要由室外机和室内机这两个部分组成。其中室外机主要负责的是制冷或制热,而室内机则是将冷气或热气输送到室内,并通过管道将室内的热空气或冷空气搬运到室外,从而达到降温或升温的效果。

      空调草莓视频下载APP结构尺寸图

      安装说明

        1.在安装空调草莓视频下载APP前,一定要先检查风机的完整性,比如叶轮、机壳、进风口、支架、电机、皮带轮、联轴器、消音器、传动件(轴承)等元件是否齐全。还有就是注意检查这些元件是否又损坏变形的现象,如果直接安装这些损坏的元件,将会给风机的质量带来巨大的影响。

        2.在安装的时候,为了防止安全事故的发生,注意风机的一些装置是必须要安装的,比如风机底座有直接安装在基础上和安装在减震装置上两种。

        3.如果对安装的过程不了解,较好先熟读安装说明书,如果还是不懂的话,就要请专业的安装人员来了。

      中央空调草莓视频下载APP

      价格行情

        空调草莓视频下载APP的市场价格因多种因素影响而有较大差异,如型号、规格、品牌、销售渠道等。通常单台价格在二三百元至一千元以上。其中较小型号、低风量、低静压、普通或低端品牌的风机价格较低,一般只卖几百元左右一台。而较大型号、高风量、高静压、知名品牌的风机价格可高达数千元一台。注意实际价格可能会受到市场供需、地区差异和个别销售商的具体定价等因素影响。购买时建议与专业供应商联系,以获得最新准确的报价。

      后倾式空调草莓视频下载APP

      厂家简介

        草莓视频APP免费下载是一家专注于各种用途风机(如空调用离心式风机)与电机等产品的研发、制造和销售的高新技术企业。拥有ISO9001质量管理体系认证和ISO14001环境管理体系认证。产品广泛应用于通风、空调、制冷、医疗、新风、空气净化、新能源、汽车配件和家用电器等行业领域。“草莓视频APP免费下载”品牌在行业中享有较高知名度。公司主要产品通过了德国VDE、美国UL、欧洲CE和ROHS及中国CCC认证。与EMERSON(艾默生)和PANASONIC(松下)等世界知名企业有着紧密的合作关系。

      推荐阅读

        草莓视频下载APP在空调中的应用

        空调草莓视频下载APP应该如何安装(方法介绍)

        空调草莓视频下载APP的主要功能有哪些?

        空调草莓视频下载APP的组成和原理

        空调草莓视频下载APP的原理和功能

      上一篇:直流草莓视频下载APP

      下一篇:取暖器电机

      电话

      7×24小时服务热线 0574-28825866

      返回 顶部
      网站地图