EC后倾式草莓视频下载APP355mm
产品详情
1.产品简介
型号:ECB355A230
电机类型:EC
风轮:塑料
转子:钢板
防护等级:IP44
绝缘等级:F
认证:CCC CE
安装方式:任意
工作温度:-20 ~ +50℃
控制方式:0-10V/PWM/RS-485
转速输出
电子保护:过压/堵转
2.技术参数
| 额定电压 | 输入功率 | 频率 | 转速 | 风量 |
| 230 | 450 | 50/60 | 2080 | 3625 |
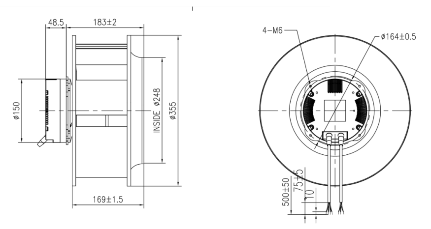
3.外形尺寸图

4.风量风压曲线图

下一页:DC草莓视频下载APP175mm







